产品中心

Products

当前位置:首页 >> 产品中心 >> 橡胶护舷 >> D型橡胶护舷

D型橡胶护舷

产品简介

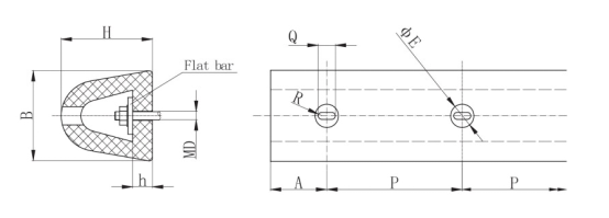
D型橡胶护舷产品编号:Fendersys-D产品主要特征:尺寸齐全,可以根据客户要求加工生产;安装方式多样化;颜色为黑色或灰色;产品主要应用:小型码头;拖轮和施工船;产品性能曲线:规格尺寸压缩变形反力KN吸能量KN.MD200x200x100050%1475.1D300X300X100029412D300X360X100032414D400X400X100038320D500X500X100045131/p>

产品型号:Fendersys-D
访问量:462
详细介绍在线留言

D型橡胶护舷

  • 产品编号:Fendersys-D

产品主要特征:

  1. 尺寸齐全,可以根据客户要求加工生产;

  2. 安装方式多样化;

  3. 颜色为黑色或灰色;

产品主要应用:

  1. 小型码头;

  2. 拖轮和施工船;

产品性能曲线:

image.png

规格尺寸

压缩变形

反力

KN

吸能量

KN.M

D200x200x1000

 

50%

147

5.1

D300X300X1000

294

12

D300X360X1000

324

14

D400X400X1000

383

20

D500X500X1000

451

31

说明:性能公差±10%


上一篇:没有了!

返回列表

下一篇:没有了!

在线留言

留言框

  • 您的姓名:

  • 联系电话:

  • 常用邮箱:

  • 联系地址:

  • 留言内容:

热线电话:

+86-024-54077398 辽宁抚顺大柳工业园区 service@liaoningqingyuan.com
Copyright © 2026 辽宁清原第一缓冲器制造有限公司  网站备案号:辽ICP备2020011507号-1  XML